Chevrolet Captiva Service & Repair Manual: Suspension Control Arm R&R
Front Suspension
Lower
Removal
| 1. |
Remove front tire and wheel assembly. |
| 2. |
Remove front lower control arm ball
stud cotter pin. Discard pin, Fig. 1. |
| 3. |
Loosen front lower control arm ball
stud nut until nut is level with top of ball stud. |
| 4. |
Separate front lower control arm from
steering knuckle, using separator tool No. J-43828, or equivalent. |
| 5. |
Remove front lower control arm ball
stud nut, Fig. 2. |
| 6. |
Remove front lower control arm front
nut and bolt. Discard nut and bolt, Fig. 3. |
| 7. |
Remove front lower control arm rear
nuts and bolts, Fig. 4. |
| 8. |
Remove front lower control arm from
vehicle, Fig. 4. |
| 9. |
Transfer components, as required. |
|
Installation
| Do NOT loosen front lower control
arm ball stud nut when installing front lower control arm ball stud. |
| Front lower control arm ball stud
nut cotter pin must NOT contact front wheel speed sensor or front wheel
drive shaft. |
| 1. |
Position front lower control arm on
vehicle. |
| 2. |
Install front lower control arm rear
bolts and nuts and torque nuts to 52 ft. lbs. |
| 3. |
Install NEW front lower control arm
front bolt and NEW nut and tighten nut on first pass to 85 ft.
lbs., second pass turn an additional 90° and final pass to 15°. |
| 4. |
Install front lower control arm ball
stud nut and tighten. Torque nut to 89 inch lbs., and turn
an additional 165°. |
| 5. |
Install a NEW front lower control arm
ball stud cotter pin. |
| 6. |
Install front tire and wheel assembly. |
| 7. |
Measure and adjust wheel alignment. |
|
Rear Suspension
Upper Arm
| Rear brake hose bracket must be
installed on side of upper control arm bracket closest to front of vehicle.
Rear brake hose bracket must be installed parallel to upper control arm. |
| Head of rear brake hose bracket
must be installed facing rear of vehicle. |
| 1. |
Raise and support vehicle. |
| 2. |
Remove rear tire and wheel assembly. |
| 3. |
Disconnect Anti-Lock Brake System (ABS)
brake wiring harness from upper control arm. |
| 4. |
Remove rear brake hose bracket to upper
control arm nut and bolt. |
| 5. |
Remove upper control arm to knuckle
nut and bolt, Fig. 5. |
| 6. |
Remove upper control to support cam
nut and bolt, Fig. 6. |
| 7. |
If replacing lefthand side upper control
arm, remove fuel tank. |
| 8. |
If replacing righthand side upper control
arm, remove fuel tank filler pipe. |
| 9. |
Remove upper control arm. |
| 10. |
Reverse procedure to install, noting
following: |
| |
a. |
Torque upper control arm to
knuckle nut and bolt to 118 ft. lbs. |
| |
b. |
Torque upper control arm to
support bolt to 121 ft. lbs. |
| |
c. |
Torque rear brake hose routing
nut and bolt and tighten to 18 ft. lbs. |
| |
d. |
Inspect rear alignment. |
|
Lower Arm
| 1. |
Raise and support vehicle. |
| 2. |
Remove rear tire and wheel assembly. |
| 3. |
Remove stabilizer shaft link. |
| 4. |
Position a jackstand underneath lower
control arm. |
| 5. |
Raise jackstand slightly to compress
coil spring. |
| 6. |
Remove lower shock bolt and nut,
Fig. 7. |
| 7. |
Loosen lower control arm to support
frame nut and bolt, Fig. 8. |
| 8. |
Remove lower control arm to knuckle
nut and bolt, Fig. 9. |
| 9. |
Slowly lower control arm in order to
unload coil spring. |
| 12. |
Remove lower control arm to support
frame nut and bolt, Fig. 10. |
| 13. |
Remove lower control arm. |
| 14. |
Reverse procedure to install, noting
following: |
| |
a. |
Inspect coil spring upper and lower
insulators, if damage exists replace insulators. |
| |
b. |
Position lower control arm to knuckle
and install nut and bolt. Torque nut/bolt to 118 ft. lbs. |
| |
c. |
Torque lower control arm to
support nut and bolt to 81 ft. lbs. |
| |
d. |
Install shock to lower control arm
nut and bolt and torque to 81 ft. lbs. |
| |
e. |
Inspect rear alignment. |
|
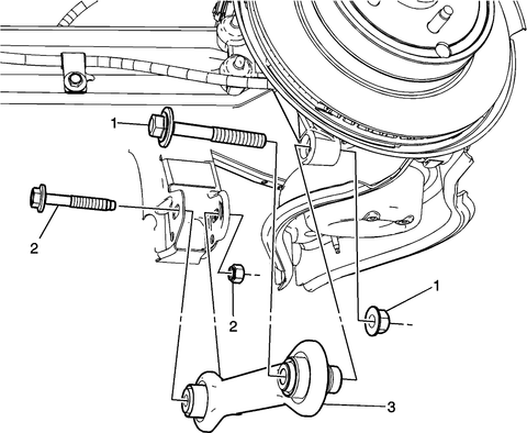
Adjust Link
| 2. |
Remove rear wheel and tire assembly. |
| 3. |
Remove adjustment link to knuckle bolt
(1) and nut, Fig. 11. |
| 4. |
Remove adjustment link to support bolt
(2) and nut, Fig. 11. |
| 5. |
Remove adjustment link. |
| 6. |
Inspect rear alignment. |
| 7. |
Reverse procedure to install. Torque
adjust link bolts and nuts to 118 ft. lbs. |
|

Fig.
1

Fig.
2

Fig.
3

Fig.
4

Fig.
5

Fig.
6

Fig.
7

Fig.
8

Fig.
9

Fig.
10

Fig.
11
Chevrolet Captiva is covering essential aspects of the vehicle's suspension system, including the Front Suspension, Rear Suspension, and Adjusting the Linkages.
The manual delves into the Front Suspension, detailing components such as front struts, control arms, bushings, ball joints, and steering components. It provides instructions for inspecting these parts, servicing or replacing them as needed, and includes torque specifications and alignment procedures to maintain proper suspension function and vehicle handling. Proper maintenance of the front suspension ensures optimal ride comfort, stability, and safety for the vehicle.
Similarly, information about the Chevrolet Rear Suspension system is included in the manual. This section covers rear shocks, control arms, bushings, and sway bars. The manual guides users through inspecting, servicing, and replacing rear suspension components, as well as procedures for adjusting rear wheel alignment. Proper rear suspension maintenance contributes to vehicle stability, handling, and overall ride quality.
The manual also addresses Adjusting the Linkages within the suspension system. This involves fine-tuning components such as sway bar links, tie rods, and control arm linkages to optimize suspension geometry, stability, and steering responsiveness.
Properly adjusted linkages are crucial for maintaining vehicle safety, precise handling, and smooth driving experience.
Front
1.
Remove front lower control arm.
2.
Place front lower control arm in a
vise or suitable holding device, Fig. 1.
...
Rear
1.
Raise and support vehicle.
2.
Remove rear tire and wheel assembly.
3.
Remove lower shock bolt, Fig.
...